PG科技电子有限公司 - 住宅能源回收系统专家

电动汽车能量回收系统简介及标定策略介绍

发布时间:2025-12-17 22:27:24| 浏览次数:

  备注:本文以某纯电动轻型商用车为基础,对纯电动汽车的能量回收标定策略进行分析研究。

  能量回收,又称回馈制动或再生制动,是指在滑行或制动减速过程中,驱动电机工作于发电状态,将车辆部分动能转化为电能储存于动力电池中,同时施加电机回馈转矩于驱动轴,对车辆进行制动。该技术应用一方面增加了电动车辆一次充电续驶里程,另一方面减少传统制动器磨损,同时还改善了整车动力学控制性能。

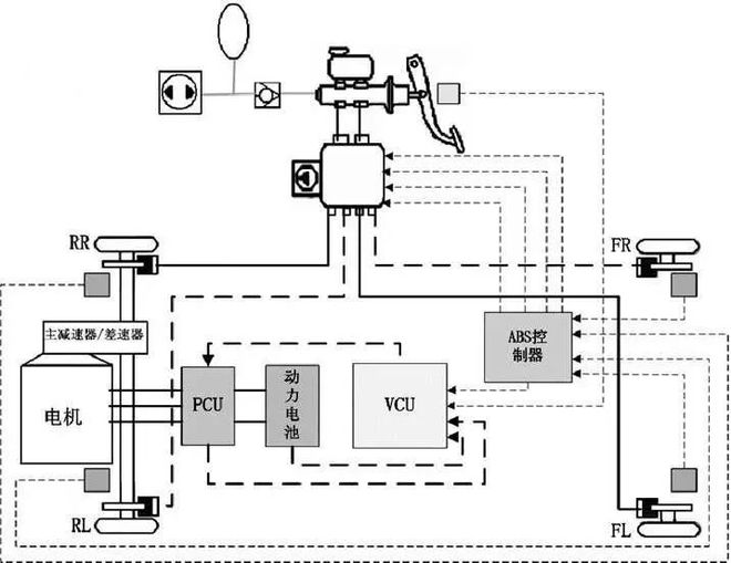
  在不改动液压制动系统结构的基础上,开发基于制动踏板行程检测的并行制动能量回收系统方案,如图1所示。

电动汽车能量回收系统简介及标定策略介绍(图1)

  并行制动能量回收系统主要由驱动电机及控制器、动力电池(含电池管理系统)、ABS系统、制动踏板、整车控制器(VCU)及CAN网络组成,其中,整车控制器(VCU)通过CAN网络与电机控制器、电池管理系统、ABS控制器通讯,实现驾驶员意图识别及制动能量回收控制功能。

  并行制动能量回收系统方案的典型特征是:符合驾驶员传统的驾驶习惯,保持整车的制动性能和制动稳定性,电机制动力的变化不会影响驱动轮制动力的大小,电机制动力和驱动轮制动器制动力并行产生,并叠加在一起,共同组成了驱动轮上的总制动力,通过在汽车减速和制动过程中实施电机制动,把汽车减速和制动过程中的部分动能转化成电能回馈给动力电池,从而提高整车经济性,延长续驶里程。

  整车控制器(VCU)根据踏板信号、车速、蓄电池荷电状态(SOC)、电池电压、温度等信息确定是否进行能量回收,并将其传送到相应的控制模块中执行,模块之间的信息传PG电子递通过CAN总线进行。对进入能量回收模式的车辆状态条件进行标定,如表1所示。

电动汽车能量回收系统简介及标定策略介绍(图2)

  VCU检测加速踏板传感器信号和制动踏板传感器信号,判断汽车是否处于滑行或制动减速阶段,若是的话则向,MCU发送扭矩指令,MCU控制驱动电机产生滑行阶段所需的制动力。对能量回收扭矩进行标定,如表2所示。

电动汽车能量回收系统简介及标定策略介绍(图3)PG电子126.net/?url=http%3A%2F%2Fdingyue.ws.126.net%2F2024%2F1219%2Ff88761caj00sops9t009jd200sk00jig00i900cg.jpg&thumbnail=660x2147483647&quality=80&type=jpg width=657 height=448 />

  滑行减速时,能量回收不能标太大,否则滑行时车辆减速感太强,驾乘人员主观感受不好,且影响行车安全。

  能量回收的大小受电池的充放电能力限制,所以能量回收的功率不能超过电池规定的功率,如表3所示。

电动汽车能量回收系统简介及标定策略介绍(图4)

  上述能量回收标定数据经过实车道路测试,滑行及制动减速时主观感受良好,无不安全感,在转毂上按照《GBT 18386-2017 电动汽车能量消耗率和续驶里程试验方法》的要求进行了复测,经济性测试结果均满足设计指标要求。

电动汽车能量回收系统简介及标定策略介绍(图5)

  本文对纯电动汽车能量回收的系统设计、工作原理、标定策略和方法进行分析研究,对标定后的数据在实车道路和转毂试验中进行了验证,结果表明,能量回收的合理标定,可以有效的提高纯电动汽车的续驶里程。

  ©版权声明:“聚汽观察”所推送的文章,除非确实无法确认,我们都会注明作者和来源。部分文章推 送时未能与原作者取得联系。若涉及版权问题,烦请原作者联系我们,与您共同协商解决。联系方式/商务合作:付先生 ,聚汽观察投稿邮箱:)

  特别声明:以上内容(如有图片或视频亦包括在内)为自媒体平台“网易号”用户上传并发布,本平台仅提供信息存储服务。

  “亚洲锂都”风云再起?采矿许可证密集注销,江特电机拟被注销矿区去年9月就已停产

  在手现金不到15亿,前三季度净利6.98亿,协创数据何以支撑212亿算力采购?

  一加 Ace 6T,165Hz电竞屏+8300mAh电池,2000元档高性价比之选

  骁龙8 Gen 5+8300mAh大电池!一加 Ace 6T打造全新性价比之选

TOP